Battery Holders
1904 Active
Data Group: 1904
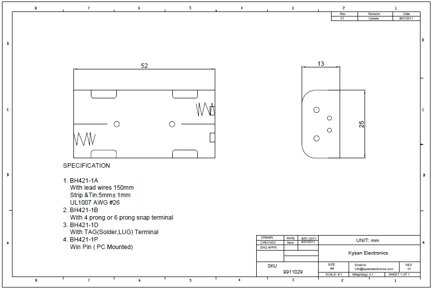
SKU: 9911029
Weight (Kg): 0.1000
Decsription: BH-421-1A
HS Code: 8536.69.8000
Applications:

©2003 KYSAN ELECTRONICS All Rights Reserved! www.kysanelectronics.com