Stepper Motors
1007 Active
Data Group: 1007
SKU: 1122017
Weight (Kg): 1.0000
Decsription: 39BYG106
HS Code: 8501.10.4040
Applications: CNC, textile machinery, office automation equipment, medical device, welding equipment, engraving ma
Untitled Document
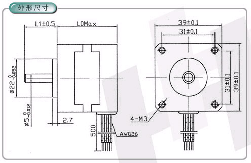
Mfg Model Phase Voltage Current Resistance Inductance Maximum Static Torque Weight Mesurement Wiring Diagram
(v) (A) (Ω) (mH) (kg.cm) (kg) L0(mm) L1(mm) wdg
39BYG102 2 12 0.48 25 20 1 0.11 20 21 wdg.A
39BYG105 4 6.5 0.5 13 6 0.8 0.12 20 21 wdg.B
39BYG106 2 5 0.4 6.6 6 0.65 0.12 20 21 wdg.A
39BYG224 2 4.8 0.4 12 10 0.6 0.2 20 21 wdg.A
39BYG303 4 12 0.27 45 20 0.95 0.16 25 21 wdg.B
39BYG304 2 4.2 0.67 6 6.8 1 0.16 25 21 wdg.A
39BYG401 2 14 0.4 31 40 2.3 0.2 34 21 wdg.A
39BYG404 4 12 0.3 30 25 1.6 0.16 34 21 wdg.B
39BYG407 2 4.5 0.65 7 9.3 1.8 0.18 34 21 wdg.A
39BYG412 4 12 0.16 70 40 1.2 0.18 34 21 wdg.B
39BYG503 2 12 0.3 40 70 3 0.2 38 21 wdg.A
39BYG504 4 6 0.8 7.5 6 2 0.2 38 21 wdg.B
39BYG505 4 6 0.3 50 42 2 0.2 38 21 wdg.B
39BYG507 2 6 0.1 130 180 1.5 0.2 38 21 wdg.A
39BYG530 2 16.6 0.23 72 120 2.2 0.16 31 21 wdg.A
39BYG801 2 8 0.4 20 30 2 0.35 47 21 wdg.A
2 Phase - Bipolar, 4 Phase - Unipolar

©2003 KYSAN ELECTRONICS All Rights Reserved! www.kysanelectronics.com