Stepper Motors
1406 Active
Data Group: 1406
SKU: 1124023
Weight (Kg): 2.0000
Decsription: 42BYG40B-18W42
HS Code: 8501.10.4040
Applications: Office Automation, banking equipment, Automobil control unit, telecom, home appliance
Untitled Document
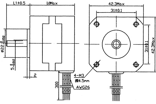
MFG Model No. of Phase Voltage (V) Current (A) Resistance (O) Inductance (mH) Holding Torque (g.cm) Detent Torque (g.cm) Weight (Kg) Wiring Connection Size
L0 (mm) L1 (mm)
42BYGH001 2 2 0.95 2.1 2.3 1700   0.22 WDG. A 34 24
42BYGH101 2 2.6 1.7 1.5 2.3 4200 56 0.24 WDG. A 39 24
42BYGH102-01 2 5 1 5 12 2600 56 0.24 WDG. A 39 24
42BYGH103 2 12 0.4 30 66 4000 38 0.24 WDG. A 39 24
42BYGH301 2 8.1 0.8 9 14 4200 38 0.34 WDG. A 48 34
42BYGH011 2 11.2 0.33 34 46 2400 38 0.2 WDG. A 34 20
42BYGH204 2 4.3 1 4.3 6.3 4000 82 0.34 WDG. A 48 24
42BYGH205 2 3.85 1.2 3.2 6 4500 82 0.34 WDG. A 48 24
42BYGH2901 2 4.2 0.6 7 6 1200 38 0.24 WDG. A 30 27.5
42BYGH2902 2 2.4 1.2 2 2.8 1800 38 0.24 WDG. A 30 18
42BYGH3402 2 16 0.4 40 36 2600 38 0.24 WDG. A 34 18
42BYGH3407 2 9 0.4 22.5 30 2200 38 0.24 WDG. A 34 24
42BYGH3905 2 5.6 0.8 7 10 4200 82 0.24 WDG. A 40 24
42BYGH3909 2 12 0.4 30 35 3200 82 0.24 WDG. A 40 24
42BYGH4404 2 13.9 0.33 42 95 4200 82 0.6 WDG. A 44 24
42BYGH4802 2 1.5 3 0.5 1.1 5000 82 0.34 WDG. A 48 17
42BYGH4803 2 4.2 1.5 2.8 4.8 5000 82 0.34 WDG. A 48 17
42BYGH501 2 9 0.4 30 27 2600   0.34 WDG. A 34 20
42BYGHW208 2 12 0.4 30 37 2600   0.34 WDG. A 34 20
42BYGHW231 2 12 0.4 30 27 2600   0.34 WDG. A 34 20

©2003 KYSAN ELECTRONICS All Rights Reserved! www.kysanelectronics.com