Stepper Motors
2417 Active
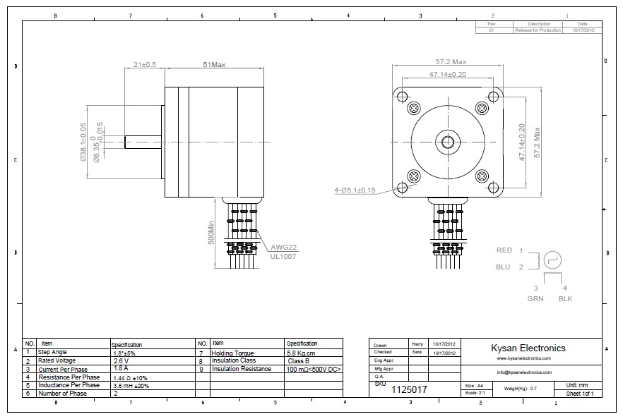
Data Group: 2417
SKU: 1125017
Weight (Kg): 3.0000
Decsription: 57BYG108
HS Code: 8483.40.9000
Applications:

©2003 KYSAN ELECTRONICS All Rights Reserved! www.kysanelectronics.com