Planetary Motors
3072 Active
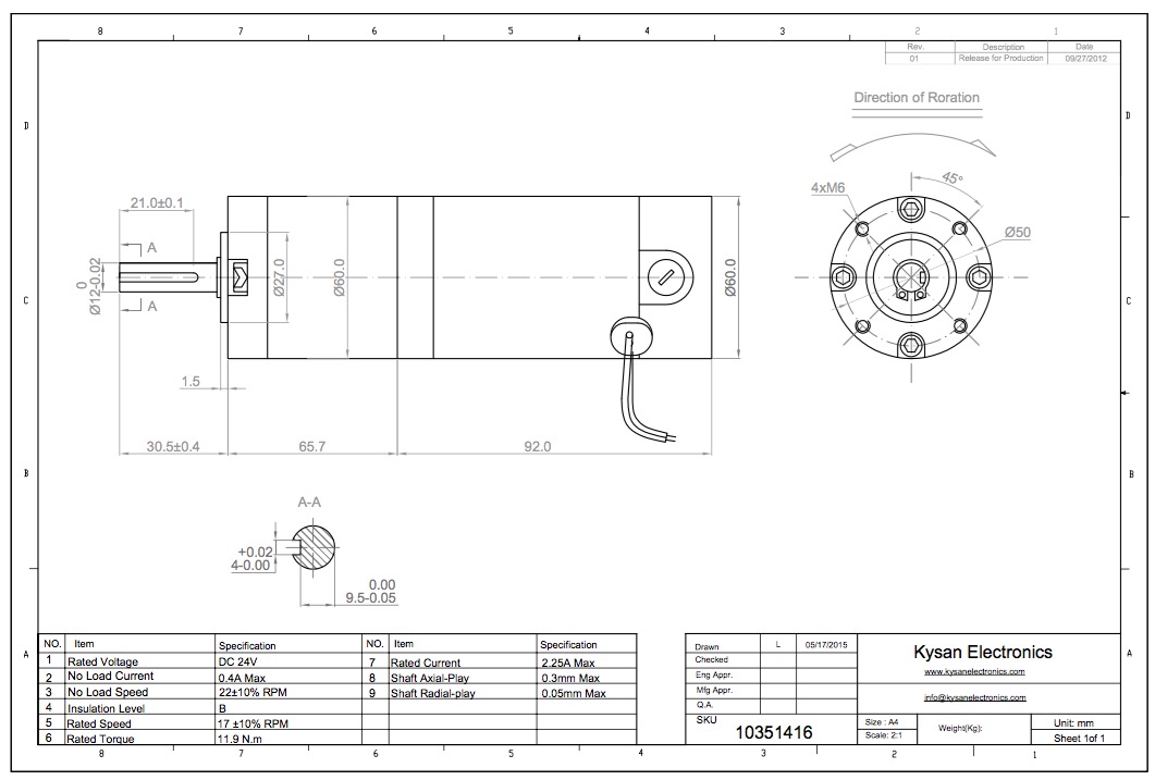
Data Group: 3072
SKU: 10351416
Weight (Kg): 2.0000
Decsription: AX60-24V20RPM
HS Code: 8483.40.9000
Applications:

©2003 KYSAN ELECTRONICS All Rights Reserved! www.kysanelectronics.com