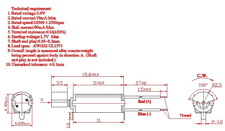
Vibrating Motors
1788 Active
Data Group: 1788
SKU: 1162062
Weight (Kg): 0.0100
Decsription: Z4KL2B0030191
HS Code: 8483.40.9000
Applications: Cell phone, toys

©2003 KYSAN ELECTRONICS All Rights Reserved! www.kysanelectronics.com