Stepper Motors
4784 Active
Data Group: 4784
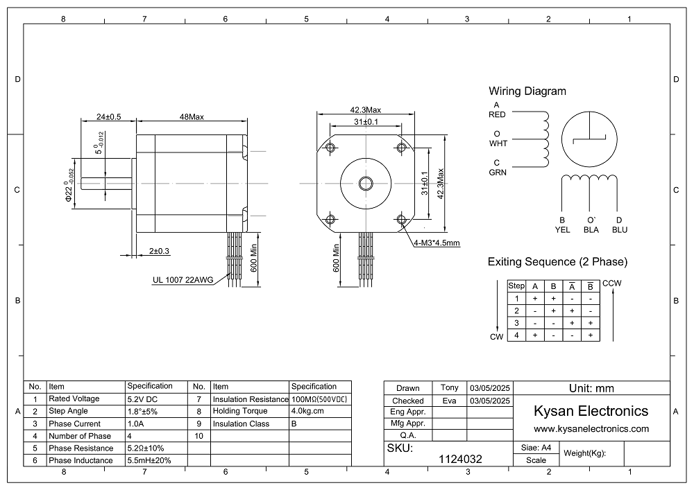
SKU: 1124032
Weight (Kg): 2.0000
Decsription: 42BYG48U-18W38S24D
HS Code:
Applications:

©2003 KYSAN ELECTRONICS All Rights Reserved! www.kysanelectronics.com