DC Motors
4075 Active
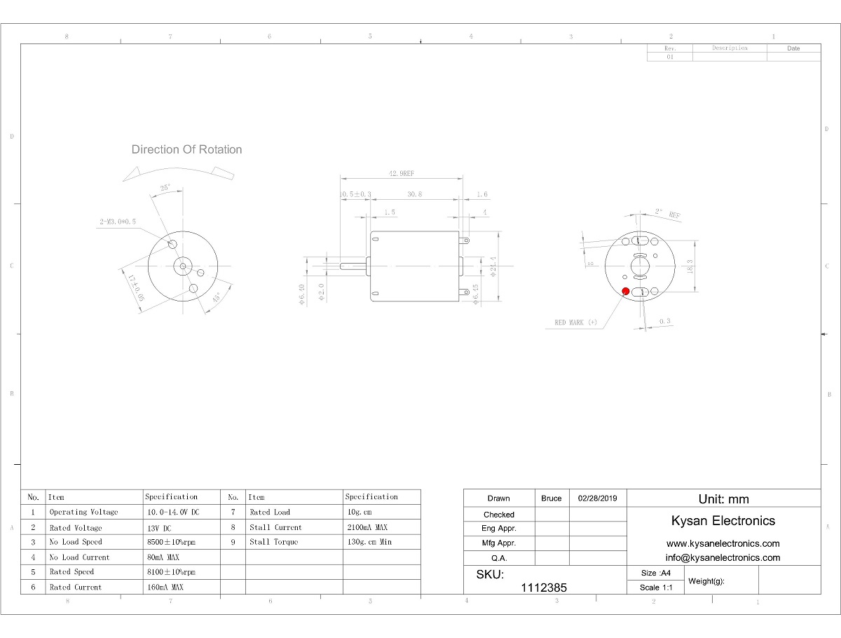
Data Group: 4075
SKU: 1112385
Weight (Kg): 0.2000
Decsription: RK-370CA-18260
HS Code: 8203.40.6000
Applications:

©2003 KYSAN ELECTRONICS All Rights Reserved! www.kysanelectronics.com