DC Motors
617 Active
Data Group: 617
SKU: 1112171
Weight (Kg): 0.2000
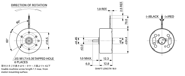
Decsription: RF-300FA-12350-10
HS Code: 8501.31.6000
Applications: Office Automation Equipment> CD/DVD-ROM Drive
Untitled Document
Mfg Model VOLTAGE NO LOAD AT MAXIMUM EFFICIENCY STALL
OPERATING NOMINAL SPEED CURRENT SPEED CURRENT TORQUE OUTPUT TORQUE CURRENT
RANGE V r/min A r/min A m.Nm g.cm W m.Nm g.cm A
RF-300FA-11420 0.7 - 5.0 3 2900 0.017 2320 0.068 0.42 4.3 0.1 2.11 22 0.27
RF-300FA-12350 1.5 - 6.0 3 3500 0.022 2830 0.093 0.48 4.9 0.14 2.51 26 0
Life time: 200-300 hours

These motors will be used in a clean laboratory environment at room temperature.
They will have metal discs attached to their shafts and spin at 500 - 1400 RPM. They will have almost no torque load.


©2003 KYSAN ELECTRONICS All Rights Reserved! www.kysanelectronics.com