Spur Geared Motors
862 Active
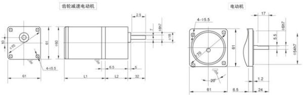
Data Group: 862
SKU: 1010092
Weight (Kg): 3.0000
Decsription: 60YN06-110V75RPM
HS Code: 8501.31.6000
Applications: Instrument

©2003 KYSAN ELECTRONICS All Rights Reserved! www.kysanelectronics.com