Stepper Motors
803 Active
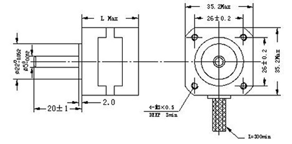
Data Group: 803
SKU: 1121013
Weight (Kg): 1.0000
Decsription: 35BYG207
HS Code: 8501.10.4040
Applications: Office automation, banking equipment, control unit for
Untitled Document
Mfg Lead Wire Step Angel Motor Length Rate Voltage Rate Current Phase Resistance Phase Inductance Holding Torque  Rotor Inertia  Detent Torque Motor Weight
Model Numbers (Degree) (mm) (V) (A) ( Ω ) (mH) (g.cm) (g. c㎡) (g.cm) (kg)
35BYG103 4 1.8 20 6.57 0.73 9 4 600 8 50 0.1
35BYG104 4 1.8 20 10.8 0.4 27 17 650 8 50 0.1
35BYG203 4 1.8 26 2.4 1.5 1.6 1.4 900 10 60 0.13
35BYG207 4 1.8 26 3.2 0.75 4.3 4 700 10 60 0.13
35BYG303 4 1.8 28 7 0.54 13 9.5 800 11 80 0.14
35BYG304 4 1.8 28 3.5 1 3.5 3.5 1250 11 80 0.14
35BYG101 6 1.8 20 11.25 0.45 25 9 500 8 50 0.1
35BYG204 6 1.8 26 6.84 0.76 9 4.8 800 10 60 0.13
35BYG205 6 1.8 26 12 0.25 48 17 380 10 60 0.13
35BYG302 6 1.8 28 10.4 0.4 26 10 1000 11 80 0.14
35BYG401 6 1.8 34 11 0.5 22 12 1000 13 95 0.17

©2003 KYSAN ELECTRONICS All Rights Reserved! www.kysanelectronics.com