Planetary Motors
801 Active
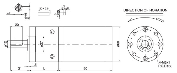
Data Group: 801
SKU: 10351402
Weight (Kg): 2.0000
Decsription: AX60-12V37RPM
HS Code: 8483.40.9000
Applications: Electric-drive curtain, Stage illumination, Airbrake switch

©2003 KYSAN ELECTRONICS All Rights Reserved! www.kysanelectronics.com