Stepper Motors
2076 Active
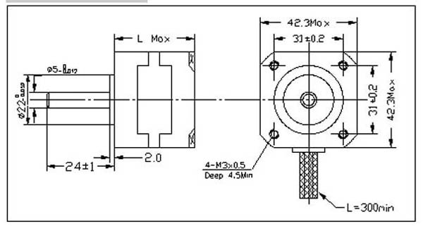
Data Group: 2076
SKU: 1124077
Weight (Kg): 2.0000
Decsription: 42BYG48U-18W38
HS Code: 8483.40.9000
Applications: Technical instrument.
MFG Model Step Angel (Degree) Motor Length L(mm) Rate Voltage (V) Rate Current (A) Phase Resistance ( Ω ) Phase Inductance (mH) Holding Torque (g.cm)  Lead Wire Numbers  Rotor Inertia (g. c㎡)  Detent Torque (g.cm)  Motor Weight (kg)
42BYGH201 1.8 34 12 0.16 75 42 950 5 34 200 0.2
42BYGH202 1.8 34 12 0.3 40 22 1250 6 34 200 0.2
42BYGH610 1.8 40 6.5 1.2 6 13 3000 4 54 220 0.24
42BYGH613 1.8 40 2.4 1.7 1.5 2.5 3500 4 54 220 0.24
42BYGH616 1.8 40 4.1 0.5 8 15 2600 4 54 220 0.24
42BYGH718 1.8 44 8.9 0.5 18 23 2900 6 50 250 0.3
42BYGH721 1.8 44 10 0.25 40 36 2000 6 50 250 0.3
42BYGH722 1.8  44 11.8  0.38  31 32  3200 50  250  0.3 
42BYGH801 1.8 48 12 0.4 30 28 3800 6 68 280 0.34
42BYGH803 1.8 48 5.6 0.8 7 4 2600 6 68 280 0.34

©2003 KYSAN ELECTRONICS All Rights Reserved! www.kysanelectronics.com