DC Motors
4289 Active
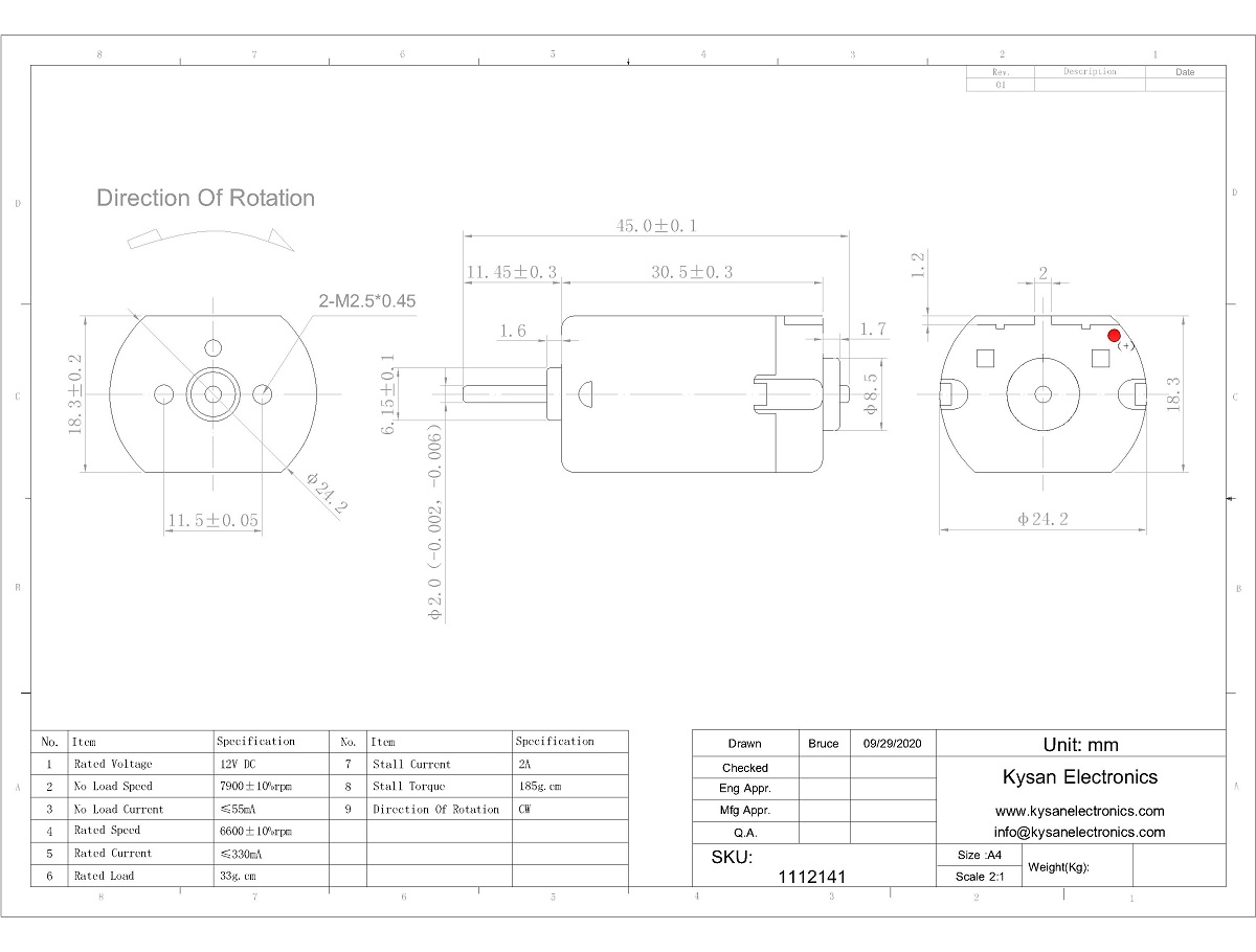
Data Group: 4289
SKU: 1112141
Weight (Kg): 0.1000
Decsription: FC-280SC-16220
HS Code: 8203.40.6000
Applications:

©2003 KYSAN ELECTRONICS All Rights Reserved! www.kysanelectronics.com