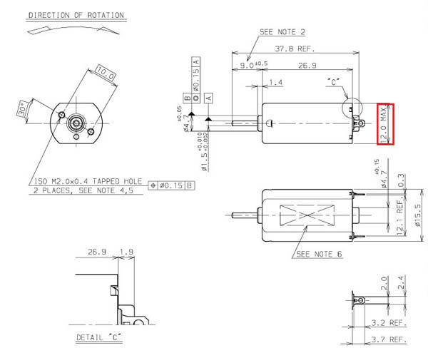
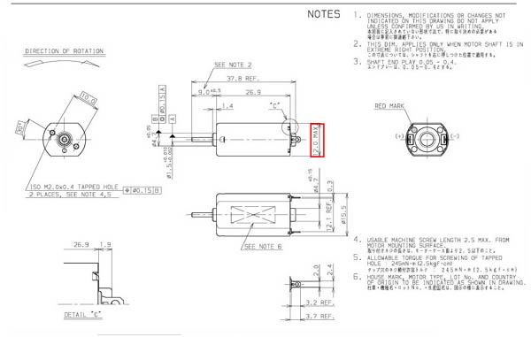
DC Motors
1351 Active
Data Group: 1351
SKU: 1112138
Weight (Kg): 0.1000
Decsription: FF-050SH-1685-13.2
HS Code: 8501.31.6000
Applications: CD Player /Car CD player, DVD Player/Office Automation

©2003 KYSAN ELECTRONICS All Rights Reserved! www.kysanelectronics.com