AC Motors
2559 Active
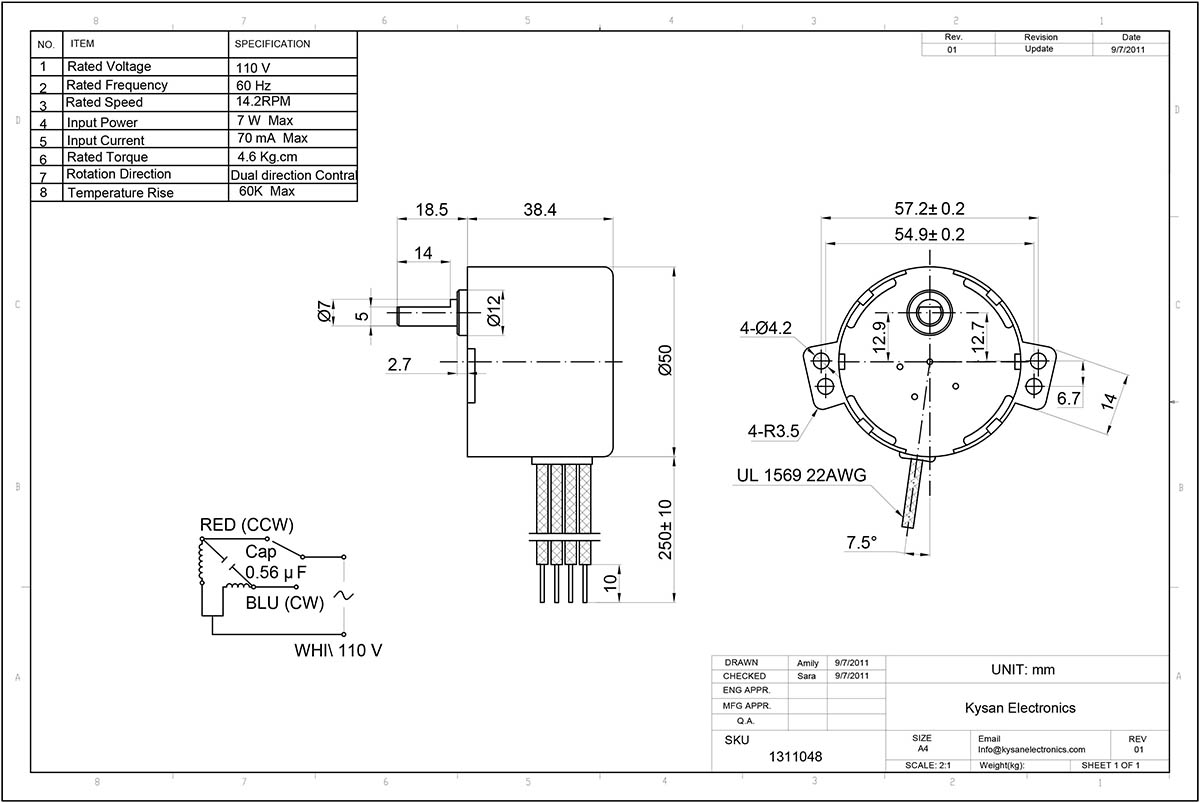
Data Group: 2559
SKU: 1311048
Weight (Kg): 0.0500
Decsription: 50KTYZ-110V15RPM
HS Code: 8501.31.4000
Applications:

©2003 KYSAN ELECTRONICS All Rights Reserved! www.kysanelectronics.com