Vibrating Motors
4072 Active
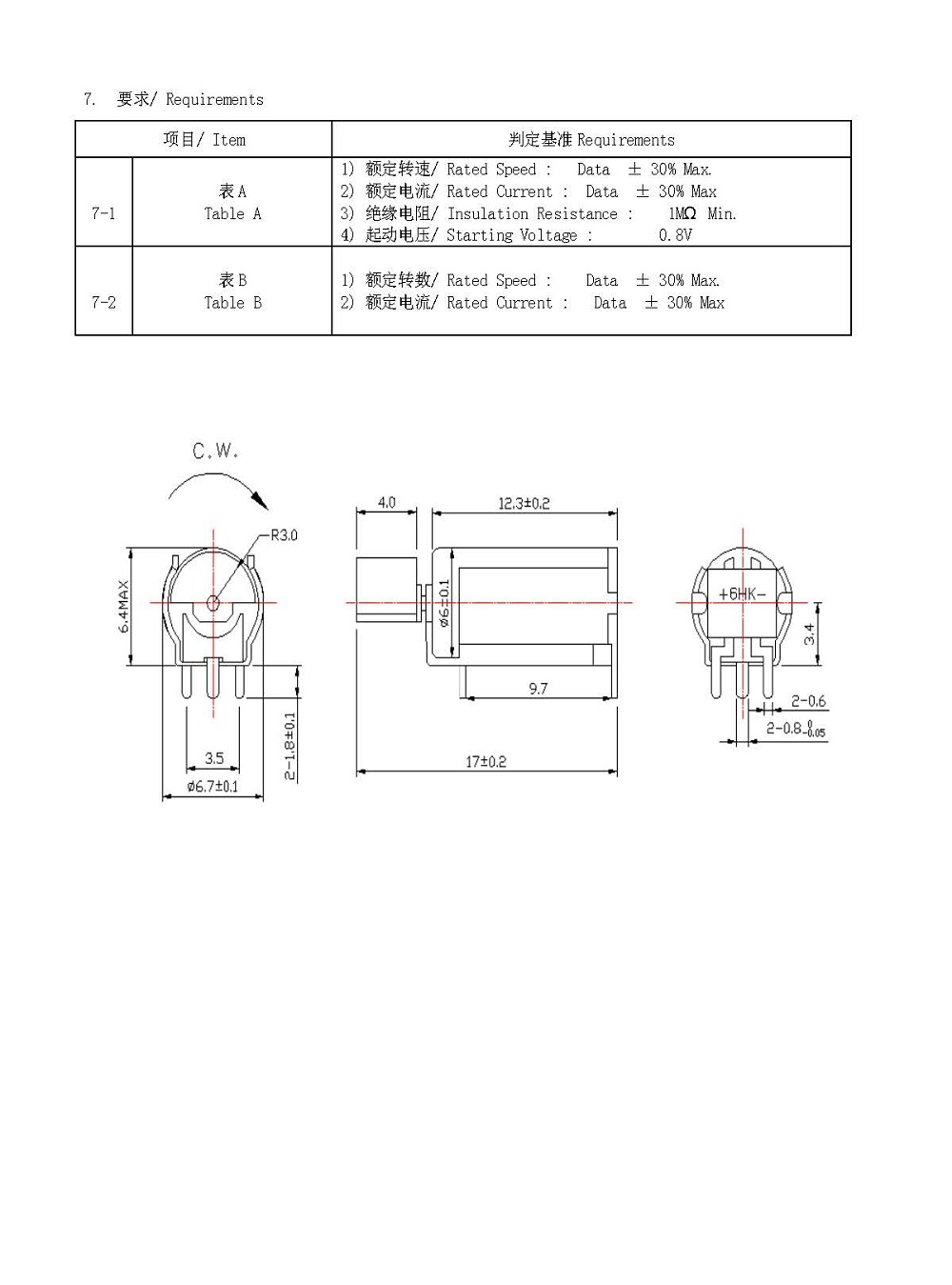
Data Group: 4072
SKU: 1162032
Weight (Kg): 0.1000
Decsription: 6ZK211-10
HS Code: 8501.10.4080
Applications: Medical equipment.

©2003 KYSAN ELECTRONICS All Rights Reserved! www.kysanelectronics.com