Buzzers
3723 Active
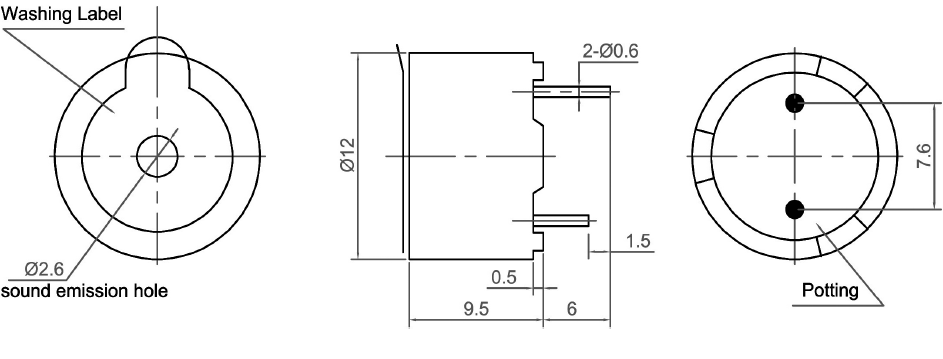
Data Group: 3723
SKU: 1350003
Weight (Kg): 0.0100
Decsription: CMB1209EC23NP
HS Code: 8531.90.9000
Applications:

©2003 KYSAN ELECTRONICS All Rights Reserved! www.kysanelectronics.com