Planetary Motors
3862 Active
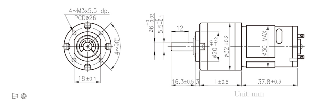
Data Group: 3862
SKU: 1030050
Weight (Kg): 0.5000
Decsription: IG-32GM-12V1/71
HS Code: 8483.40.9000
Applications: Automation, home appliances, security surveillance systems.

©2003 KYSAN ELECTRONICS All Rights Reserved! www.kysanelectronics.com