|
 |
|
DC Motors
268 Active |
|
|
|
|
|
Data Group: 268
SKU: 1112109
Weight (Kg): 0.5000
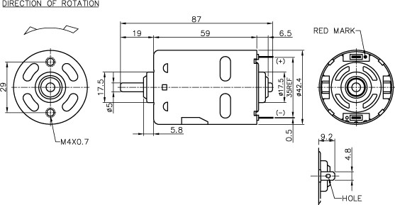
Decsription: RS-750SH-8028
HS Code: 8501.31.6000
Applications: Power tool
 |
|
|
|
|
|
Untitled Document
MFG Model |
VOLTAGE |
NO LOAD |
AT MAXIMUM EFFICIENCY |
STALL |
OPERATING |
NOMINAL |
SPEED |
CURRENT |
SPEED |
CURRENT |
TORQUE |
OUTPUT |
EFF |
CURRENT |
TORQUE |
VDC |
VDC |
RPM |
A |
RPM |
A |
g.cm |
mN.m |
W |
% |
A |
g-cm |
mN-m |
| RS-750SH-9013 |
3.0-6.0 |
6 |
19000 |
4 |
13730 |
13.47 |
319 |
31.27 |
44.99 |
56.64 |
66.62 |
1910 |
187.25 |
| RS-750SH-8028 |
6.0-12.0 |
12 |
18800 |
2.6 |
15520 |
12.78 |
673 |
65.98 |
107.32 |
70.55 |
92.08 |
4900 |
480.39 |
| RS-750SH-4570 |
6.0-24 |
12 |
7500 |
0.75 |
6370 |
4.28 |
529 |
51.86 |
34.65 |
69 |
22.48 |
3120 |
305.88 |
| RS-750SH-32160 |
12.0-36.0 |
12 |
3080 |
0.3 |
2550 |
1.18 |
343 |
33.63 |
8.99 |
64.37 |
6.12 |
2100 |
205.88 |
|
|
|
|
|
|
|
|
|
|
|
|
|
|
|
©2003 KYSAN ELECTRONICS All Rights Reserved! www.kysanelectronics.com |
|