AC Motors
968 Active
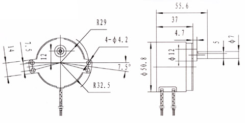
Data Group: 968
SKU: 1311013
Weight (Kg): 0.5000
Decsription: 50KTYZ-220V100RPM
HS Code: 8483.40.9000
Applications: electric curtain,small stage curtain,stage lamp,electric machine and automatic instrument

©2003 KYSAN ELECTRONICS All Rights Reserved! www.kysanelectronics.com