DC Motors
231 Active
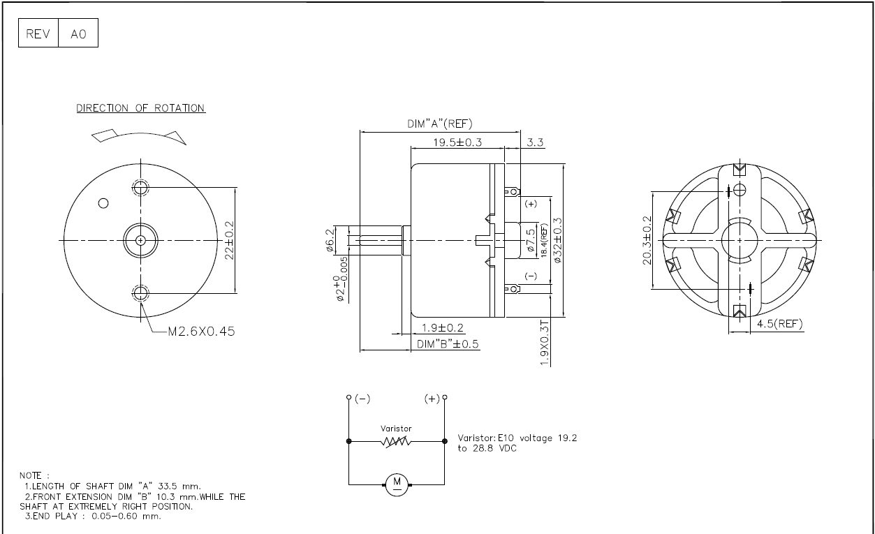
Data Group: 231
SKU: 1111149
Weight (Kg): 0.2000
Decsription: RF-500TB-09930-R-32
HS Code: 8501.31.6000
Applications: Toys and Models> Radio Control Model / Servo Mechanism

©2003 KYSAN ELECTRONICS All Rights Reserved! www.kysanelectronics.com