|
 |
|
DC Motors
209 Active |
|
|
|
|
|
Data Group: 209
SKU: 1112132
Weight (Kg): 0.5000
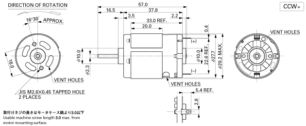
Decsription: RS-385SA-2073-16.5
HS Code: 8501.31.6000
Applications: Home Appliances> Hair Dryer
 |
|
|
|
|
|
Untitled Document
MFG MODEL |
VOLTAGE |
NO LOAD |
AT MAXIMUM EFFICIENCY |
STALL |
OPERATING |
NOMINAL |
SPEED |
CURRENT |
SPEED |
CURRENT |
TORQUE |
OUTPUT |
TORQUE |
CURRENT |
RANGE |
V |
RPM |
A |
RPM |
A |
mN·m |
g·cm |
W |
mN·m |
g·cm |
A |
| RS-385PA-2270 |
12.0-32.0 |
24 |
19600 |
0.22 |
16860 |
1.35 |
13.1 |
134 |
23.2 |
93.8 |
956 |
8.3 |
| RS-385SA-2073 |
9.0-24.0 |
20 |
17200 |
0.2 |
14420 |
1.04 |
9.49 |
96.7 |
14.3 |
58.8 |
599 |
5.4 |
| RS-385SA-2445 |
6.0-12.0 |
12 |
15200 |
0.33 |
12640 |
1.63 |
90.56 |
8.87 |
11.75 |
52.84 |
539 |
8.09 |
| RS-385SA-16110 |
12.0-24.0 |
24 |
13000 |
0.13 |
10610 |
0.58 |
79.78 |
7.82 |
8.69 |
42.65 |
435 |
2.58 |
| RS-385SA-12160 |
12.0-24.0 |
24 |
8500 |
0.08 |
6700 |
0.3 |
57.23 |
5.61 |
3.93 |
26.47 |
270 |
1.1 |
|
|
|
|
|
|
|
|
|
|
|
|
|
|
|
©2003 KYSAN ELECTRONICS All Rights Reserved! www.kysanelectronics.com |
|