|
 |
|
DC Motors
238 Active |
|
|
|
|
|
Data Group: 238
SKU: 1112305
Weight (Kg): 0.2000
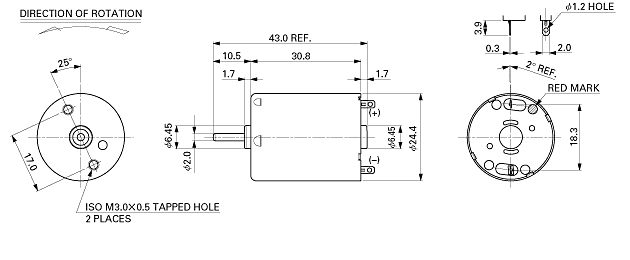
Decsription: RF-370CA-22170
HS Code: 8483.40.9000
Applications: Home Appliances> Kitchen Appliance
Audio and Visual Equipment> CD Player / DVD Player / VCR
 |
|
|
|
|
|
Untitled Document
MFG MODEL |
VOLTAGE |
NO LOAD |
AT MAXIMUM EFFICIENCY |
STALL |
OPERATING |
NOMINAL |
SPEED |
CURRENT |
SPEED |
CURRENT |
TORQUE |
OUTPUT |
TORQUE |
CURRENT |
RANGE |
VDC |
RPM |
A |
RPM |
A |
mN.m |
g-cm |
W |
mN.m |
g.cm |
A |
RF-370CA-12560 |
4-12.0 |
8 |
2400 |
0.015 |
1970 |
0.069 |
1.57 |
16 |
0.32 |
8.82 |
90 |
0.32 |
RF-370CA-15370 |
3-12.0 |
12 |
5600 |
0.026 |
4840 |
0.17 |
2.48 |
25.3 |
1.25 |
18.3 |
187 |
1.06 |
RF-370CA-15390 |
3-12.0 |
12 |
5500 |
0.026 |
4840 |
0.17 |
2.48 |
25.3 |
1.25 |
18.3 |
187 |
1.06 |
RF-370CA-10620 |
3-12.0 |
12 |
3000 |
0.026 |
3529 |
0.17 |
2.48 |
25.3 |
1.25 |
18.3 |
187 |
1.06 |
RF-370CA-10800 |
12.0-24.0 |
24 |
5100 |
0.015 |
4310 |
0.082 |
2.58 |
26.3 |
1.16 |
16.7 |
170 |
0.45 |
RF-370CA-081050 |
12.0-24.0 |
24 |
3900 |
0.010 |
3210 |
0.047 |
1.90 |
19.3 |
0.64 |
10.8 |
110 |
0.22 |
|
|
|
RF-370CA
Precious metal-brush motors
OUTPUT:0.6W-2.0W (APPROX) WEIGHT: 51g (APPROX)
|
|
|
|
|
|
|
|
|
|
|
|
©2003 KYSAN ELECTRONICS All Rights Reserved! www.kysanelectronics.com |
|