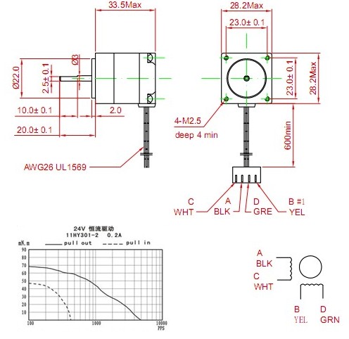
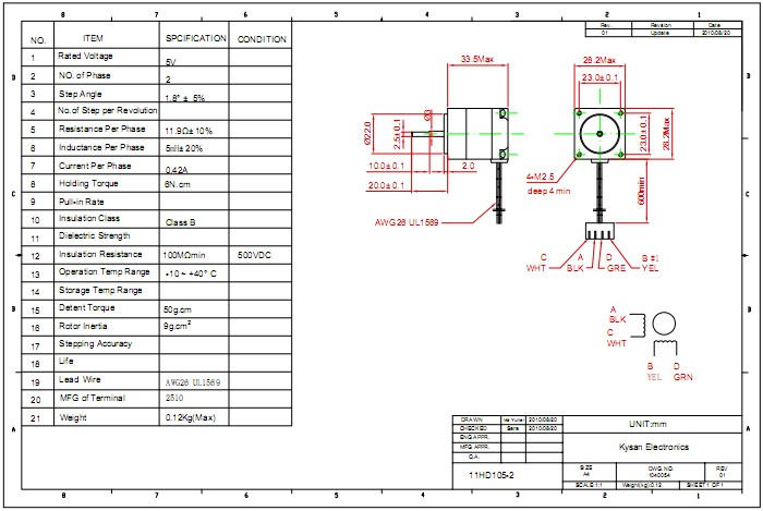
Stepper Motors
1479 Active
Data Group: 1479
SKU: 1040054
Weight (Kg): 1.0000
Decsription: 28BYG34B-06W10
HS Code: 8483.40.9000
Applications: Office automation, banking equipment, auto control unit, telecommunication, home appliances, machine

©2003 KYSAN ELECTRONICS All Rights Reserved! www.kysanelectronics.com