Stepper Motors
2047 Active
Data Group: 2047
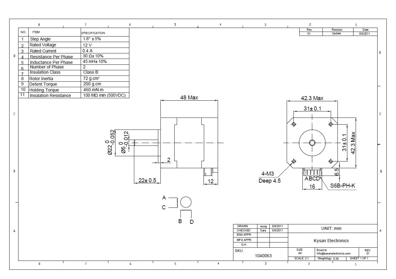
SKU: 1040063
Weight (Kg): 1.0000
Decsription: 42BYG48B-18T46
HS Code: 8483.40.9000
Applications: Technical instrument

©2003 KYSAN ELECTRONICS All Rights Reserved! www.kysanelectronics.com