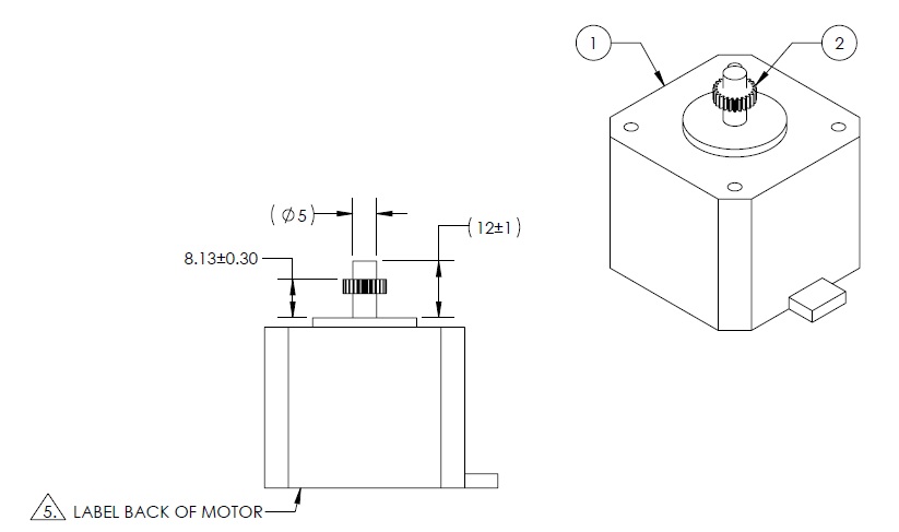
Stepper Motors
2129 Active
Data Group: 2129
SKU: 1040075
Weight (Kg): 2.0000
Decsription: 42BYG34B-18T26G917-3
HS Code: 8483.40.9000
Applications: Printers

©2003 KYSAN ELECTRONICS All Rights Reserved! www.kysanelectronics.com