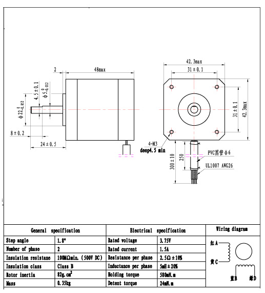
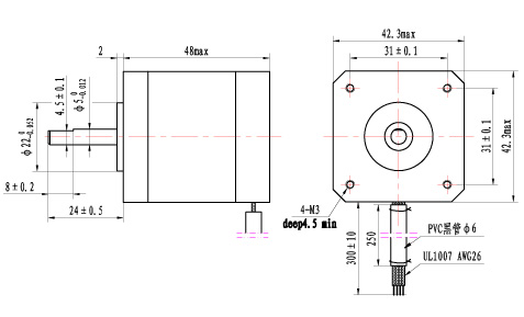
Stepper Motors
1380 Active
Data Group: 1380
SKU: 1124067
Weight (Kg): 1.0000
Decsription: 42BYG48B-18W58
HS Code: 8501.10.4040
Applications: Office equipment, automotion, auto control unit, telecommunication, home appliances, stage lights

©2003 KYSAN ELECTRONICS All Rights Reserved! www.kysanelectronics.com