DC Motors
1994 Active
Data Group: 1994
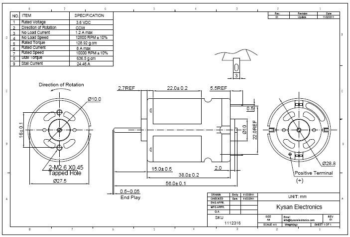
SKU: 1112316
Weight (Kg): 0.5000
Decsription: HC-313MG-15
HS Code: 8483.40.9000
Applications: Steering wheel lock, Power & garden tools, this #300 series high speed motor is compact, efficient,

©2003 KYSAN ELECTRONICS All Rights Reserved! www.kysanelectronics.com