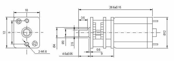
Spur Geared Motors
976 Active
Data Group: 976
SKU: 1150639
Weight (Kg): 0.2000
Decsription: A12FT-12V1500RPM24
HS Code: 8501.31.6000
Applications: Automatic door-lock, Projector, Hairdressing equipment.

©2003 KYSAN ELECTRONICS All Rights Reserved! www.kysanelectronics.com