Stepper Motors
1796 Active
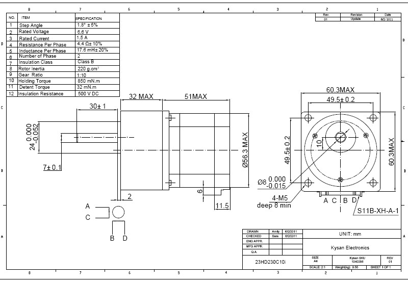
Data Group: 1796
SKU: 1040086
Weight (Kg): 2.0000
Decsription: 23HD-B1/10-C7D30
HS Code: 8483.40.9000
Applications: Instrument

©2003 KYSAN ELECTRONICS All Rights Reserved! www.kysanelectronics.com