DC Motors
3464 Active
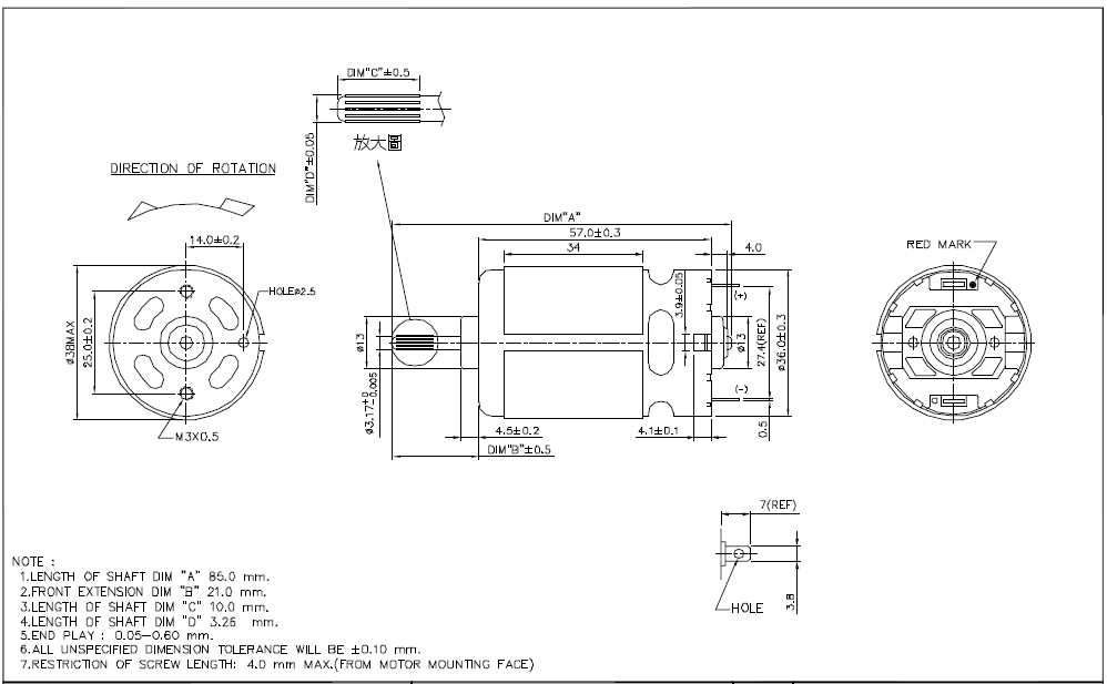
Data Group: 3464
SKU: 1112338
Weight (Kg): 0.5000
Decsription: KD3SFN-6531FB
HS Code: 8483.40.9000
Applications:

©2003 KYSAN ELECTRONICS All Rights Reserved! www.kysanelectronics.com