DC Motors
3922 Active
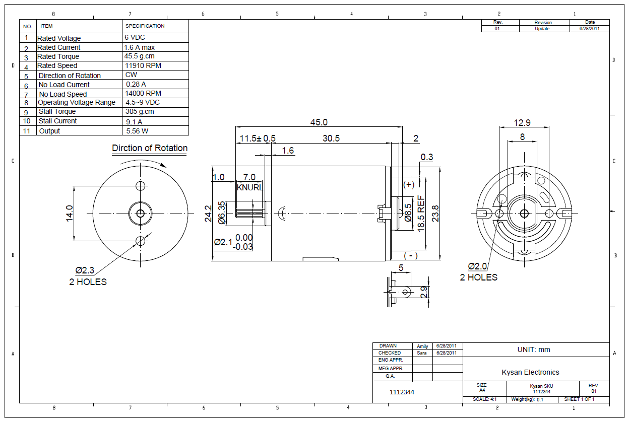
Data Group: 3922
SKU: 1112344
Weight (Kg): 0.1000
Decsription: RC-280SA-2865
HS Code: 8483.40.9000
Applications: Medical instrument.
Motor operating working temperature: -20 C to +70 C.

©2003 KYSAN ELECTRONICS All Rights Reserved! www.kysanelectronics.com