DC Motors
707 Active
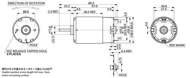
Data Group: 707
SKU: 1112349
Weight (Kg): 0.5000
Decsription: RS-555PX-3255
HS Code: 8501.31.6000
Applications: Door Closer,Seat Belt Pretensioner, Power Seat,Electric Parking Brake
Untitled Document
MFG VOLTAGE NO LOAD AT MAXIMUM EFFICIENCY STALL
MODEL OPERATING NOMINAL SPEED CURRENT SPEED CURRENT TORQUE OUTPUT TORQUE CURRENT
NUMBER RANGE V RPM A RPM A mN·m g·cm W mN·m g·cm A
RS-555PX-3255 9.0-16.0 12 4500 0.13 3960 0.95 19.4 198 8.04 162 1651 7
RS-555VX-3267 90-16.0 12 3300 0.15 2860 0.97 27.8 283 8.31 208 2120 6.3

©2003 KYSAN ELECTRONICS All Rights Reserved! www.kysanelectronics.com