DC Motors
718 Active
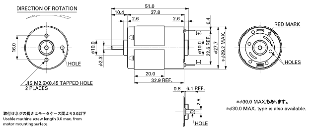
Data Group: 718
SKU: 1112367
Weight (Kg): 0.5000
Decsription: RS-385PH-17120-10.4
HS Code: 8501.31.6000
Applications: Printer / Copy Machine / Laser Printer
Untitled Document
MFG VOLTAGE NO LOAD AT MAXIMUM EFFICIENCY STALL
Model OPERATING NOMINAL SPEED CURRENT SPEED CURRENT TORQUE OUTPUT TORQUE CURRENT
Number RANGE V RPM A RPM A mN·m g·cm W mN·m g·cm A
RS-385PH-16140 12.0-30.0 24 8700 0.07 7420 0.41 8.3 85 6.44 56.4 575 2.35
RS-385PH-17120 8.0-35 23.5 8600 0.076 7430 0.48 10.1 103 7.82 73.8 752 3.05

©2003 KYSAN ELECTRONICS All Rights Reserved! www.kysanelectronics.com