Planetary Motors
891 Active
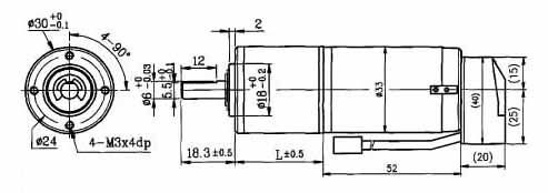
Data Group: 891
SKU: 1030074
Weight (Kg): 0.5000
Decsription: IG-30GM-12V1/14E
HS Code: 8483.40.9000
Applications: Business machines, automations, home appliances, security surveillance systems

©2003 KYSAN ELECTRONICS All Rights Reserved! www.kysanelectronics.com