DC Motors
911 Active
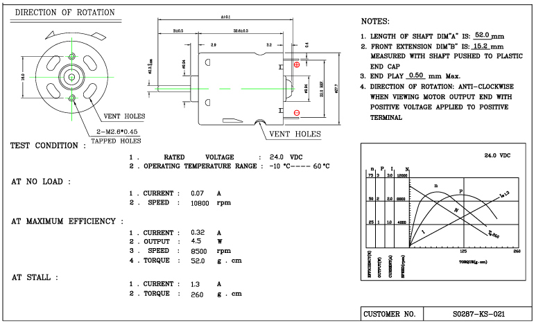
Data Group: 911
SKU: 1111109
Weight (Kg): 0.1000
Decsription: RS-365RH-11240
HS Code: 8501.31.6000
Applications: Tools

©2003 KYSAN ELECTRONICS All Rights Reserved! www.kysanelectronics.com