Stepper Motors
894 Inactive
Data Group: 894
SKU: 1130004
Weight (Kg): 0.5000
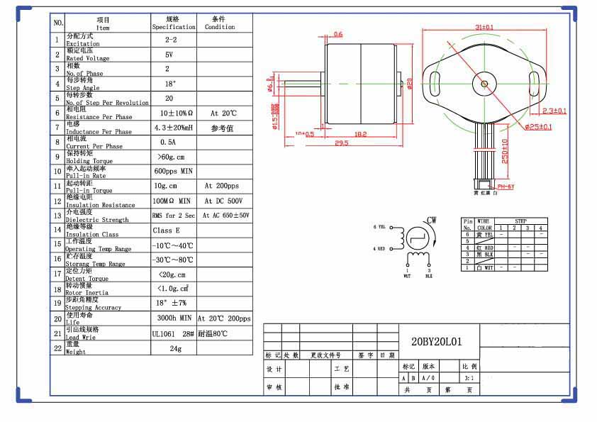
Decsription: 20BY20L01
HS Code: 8501.10.4040
Applications: Communications, household appliances, computers, industrial

©2003 KYSAN ELECTRONICS All Rights Reserved! www.kysanelectronics.com