DC Motors
953 Active
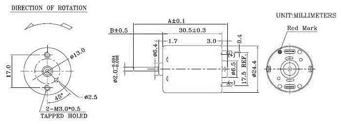
Data Group: 953
SKU: 1112111
Weight (Kg): 0.2000
Decsription: RF-370CA-12500
HS Code: 8483.40.9000
Applications: Applications: Home Appliances> Kitchen Appliance Audio and Visual Equipment> CD Player / DVD Player
Untitled Document
MFG MODEL VOLTAGE NO LOAD AT MAXIMUM EFFICIENCY STALL
OPERATING NOMINAL SPEED CURRENT SPEED CURRENT TORQUE OUTPUT TORQUE CURRENT
RANGE VDC RPM A RPM A mN.m g-cm W mN.m g.cm A
RF-370CA-12560 4-12.0 8 2400 0.015 1970 0.069 1.57 16 0.32 8.82 90 0.32
RF-370CA-15370 3-12.0 12 5600 0.026 4840 0.17 2.48 25.3 1.25 18.3 187 1.06
RF-370CA-15390 3-12.0 12 5500 0.026 4840 0.17 2.48 25.3 1.25 18.3 187 1.06
RF-370CA-12500 3-12.0 12 3900 0.02 3550 0.055 1.1 12 0.42 1 110 0.55
RF-370CA-10620 3-12.0 12 3000 0.026 3529 0.17 2.48 25.3 1.25 18.3 187 1.06
RF-370CA-10800 12.0-24.0 24 5100 0.015 4310 0.082 2.58 26.3 1.16 16.7 170 0.45
RF-370CA-081050 12.0-24.0 24 3900 0.010 3210 0.047 1.90 19.3 0.64 10.8 110 0.22

©2003 KYSAN ELECTRONICS All Rights Reserved! www.kysanelectronics.com