AC Motors
2037 Active
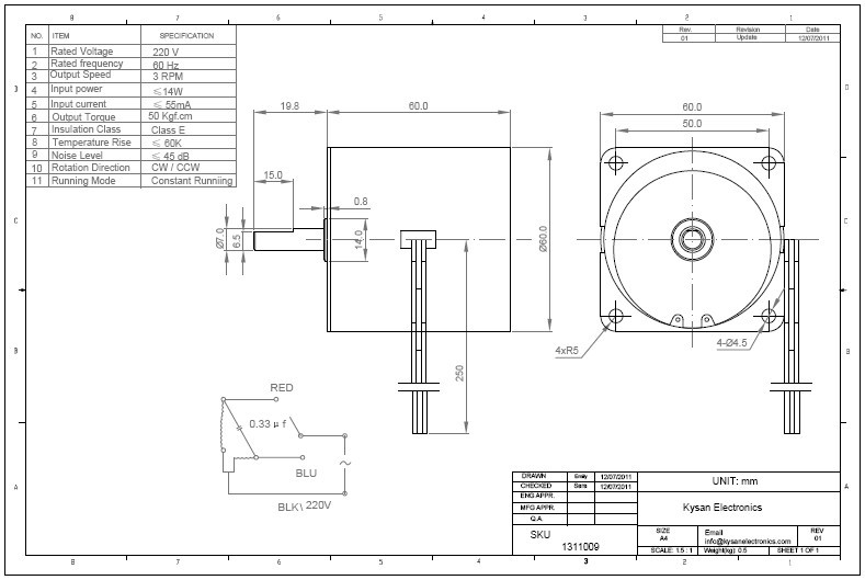
Data Group: 2037
SKU: 1311009
Weight (Kg): 0.5000
Decsription: 60KTYZ-220V3RPM
HS Code: 8501.31.4000
Applications: gluing machine,monitor,electrical curtain,stage lights,advertisement electrical movement ,electrical

©2003 KYSAN ELECTRONICS All Rights Reserved! www.kysanelectronics.com