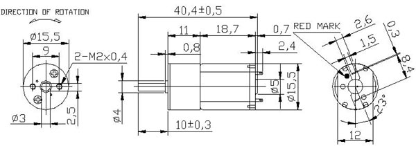
Spur Geared Motors
1311 Active
Data Group: 1311
SKU: 1151695
Weight (Kg): 0.2000
Decsription: 16GA030-6V70RPM
HS Code: 8501.31.6000
Applications: Monitor, Precision instrument, Mini mechanism, etc.

©2003 KYSAN ELECTRONICS All Rights Reserved! www.kysanelectronics.com