Stepper Motors
1397 Active
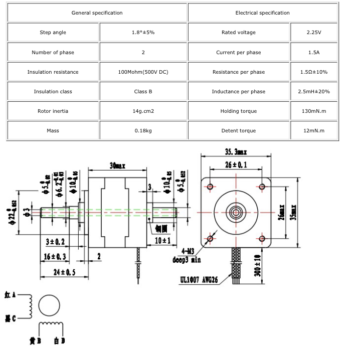
Data Group: 1397
SKU: 1040130
Weight (Kg): 0.5000
Decsription: 14HY503Y-3P
HS Code: 8501.10.4040
Applications: Stage lights, securities, advertisement board

©2003 KYSAN ELECTRONICS All Rights Reserved! www.kysanelectronics.com