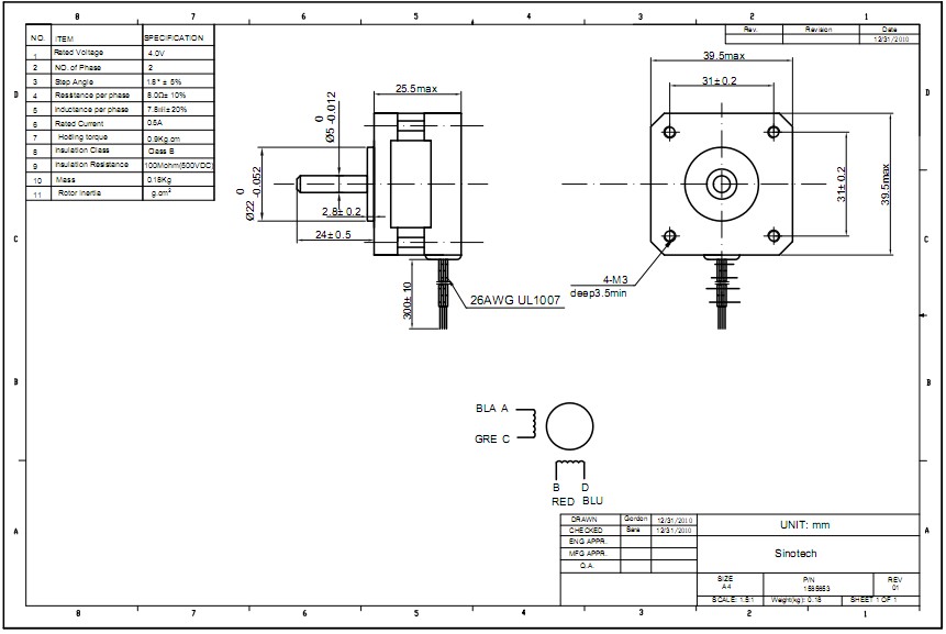
Stepper Motors
1624 Active
Data Group: 1624
SKU: 1122026
Weight (Kg): 1.0000
Decsription: 39BYG312-02
HS Code: 8483.40.9000
Applications: Office Automation, banking equipment, Automobil control unit, telecom, home appliance

©2003 KYSAN ELECTRONICS All Rights Reserved! www.kysanelectronics.com