Stepper Motors
1634 Active
Data Group: 1634
SKU: 1040087
Weight (Kg): 0.5000
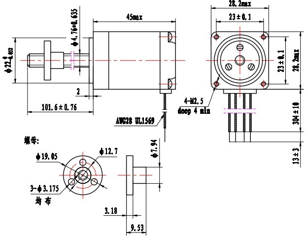
Decsription: 11HY302-101.6
HS Code: 8483.40.9000
Applications: Office automation, banking equipment, auto control unit, telecommunication, home appliances, machine
无标题文档
MFG Model Step Angel Rated Current Resistance Inductance Thrust Resolution Rotor Inertia Pitch Motor Length
Degree A Ohm mH Kg mm g.cm2 mm mm
11HY302-1 1.8° 0.75 6.7 3 5/600PPS 0.003175 12 0.635 45
Untitled Document

©2003 KYSAN ELECTRONICS All Rights Reserved! www.kysanelectronics.com