DC Motors
2339 Active
Data Group: 2339
SKU: 1075019
Weight (Kg): 1.0000
Decsription: 27QB-6V-7/500CC
HS Code: 8203.40.6000
Applications: Technical instrument
无标题文档

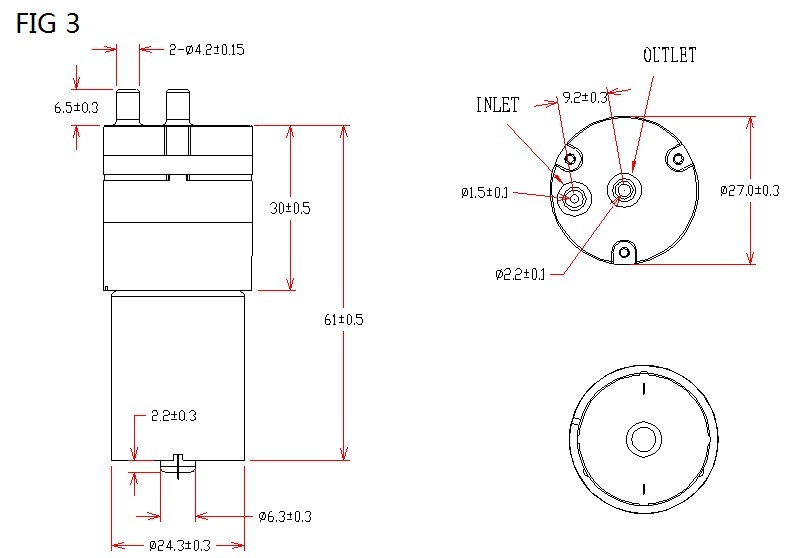
1.適用範圍 Application:
本規格書適用於微型泵ELT-27AP/DC6.0V之用。
This specification is applicable to Micro air Pump ELT-27AP/DC6.0V。
2.測試條件Test condition:
2-1  測試環境溫度濕度:周圍溫度20℃,相對濕度 65%RH 為標準。如無爭議發生可以在下述環境測試:周圍溫度5-45℃,相對濕度30-80%RH
The standard of environment test is the ambient temperature of 20℃ and relative humidity of 65%RH。If no disputes occur,the test can be conducted under  the blow circumstance: the ambient temperature of 5-45℃and relative humidity of 30~80% RH。
2-2  測試姿勢 position:
水平 Horizontal
2-3負荷  Load:
空氣 air
3.性能  Function:
3-1 額定電壓 Rated voltage:
DC 6.0V
3-2 使用電壓 Operating voltage :
DC 4.0V~7.0V
3-3 電流  Current: Less than 430mA
在DC 6.0V電壓氣泵充氣壓力從0到200mmHg 的最高電流.
During pressurization from 0 to 200mmHg at DC 6.0V voltage。
3-4充氣時間 Inflation time:
使用DC6.0V的電壓下在100CC容器中充氣壓力從0到200mmHg所用時間小於6秒。
It takes less than 6 seconds to pressurize from 0  to 200mmHg with 6.0V in a 100CC tank 
3-5 氣密 Leakage:
在100CC容器中充氣壓力從0到200±10 mmHg 之後停止充氣,安定30秒後測其減少之壓力值小於10mmHg/min。

Pressurizing from 0 till 200±10mmHg in a 100CC tank, then holding for 30 seconds 。After that, measuring the dropped pressure value, which shall be less than 10mmHg/min.
3-6 噪音Noise:Less than 62dB(FIG 1)
將泵體之下墊5cm厚的海綿,放置在距離噪音儀30cm位置,6.0V電壓下充氣壓力從 0至200mmHg所測得的dB值。
Put a sponge of  5cm under the pump and distance to noise meter from 30cm.and while pressurizing from 0 to 200mmHg to test noise value at 6.0V voltage(FIG1)
3-7 流量  Flow :≥1.5LPM
3-8 最大充氣壓力 Maximum pressure :More than 400 mmHg
在6.0V電壓使充氣壓力從0到停止升壓之最高壓力值。
The maximum pressurization value is while the pump stop the inflation at DC 6.0V voltage
3-9 最大真空度Max. Degree Of  Vacuum:Rated voltage,<-200mmHg
3-10 使用溫度範圍 Operation temperature range:
在溫度5℃到50℃及濕度30%RH到80%RH之間氣泵運作良好。
The temperature have to be between 5℃ and 50℃ and humidity must is between 30%and 80%RH to function the pump well.
3-11保存溫度範圍 Preservation temperature range:
在溫度-20℃到60℃及濕度30%RH到85%RH之間氣泵保持在良好的狀態。
The temperature has to be between negative 20℃and positive 60℃ and humidity has to be between 30%and 85% RH to keep the pump in a good condition.
4.可靠性試驗 Reliability test:
4-1 低溫特性 Low-temperature characteristic:
放置在-20℃經72小時後,再取出置於常溫(20℃±5℃)中2小時按3.3  3.4  3.5  3.6  3.7  3.8 3.9 測試無異常 。

Putting the pump in the temperature at negative 20℃ for 72 hours;then taking it out and putting it in a room temperature at 20℃±5℃ for two hours.Under this circumstance,running through test 3.3  3.4  3.5  3.6   3.7  3.8  3.9 and finding out that the pump still performs well.

4-2高溫特性 High-temperature characteristic:
在60℃經72小時放置後,再取出置於常溫(20℃±5℃)中2小時按3.3  3.4  3.5  3.6   3.7  3.8 3.9 測試無異常 。
Putting the pump in the temperature at  60℃ for 72 hours;then taking it out and putting it in a room temperature at 20℃±5℃ for two hours。Under this circumstance,running through test 3.3  3.4  3.5  3.6   3.7  3.8  3.9 and finding
out that  the  pump still performs well.
4-3高溫高濕 High-temperature & High humidity:
在溫度60℃,濕度80~85%環境中72小時取出置於常溫(20℃±5℃)中2小時按 3.3  3.4  3.5  3.6   3.7  3.8  3.9測試無異常。
Putting the pump in the temperature at 60℃ and the humidity between 80~85% for 72 hours; then taking it out and putting it in a room temperature at 20℃±5℃ for two hours. Under this circumstance,running through test 3.3  3.4  3.5  3.6  3.7  3.8  3.9 and finding out that the pump still performs well.   
4-4 壽命試驗 Life test:
在100CC容器中,充氣10秒  停2秒  排氣5秒(FIG2)為一迴圈 測試30,000次以後按 3.3  3.4  3.5  3.6   3.7  3.8  3.9測試無異常。
In a 100CC tank,pressurizing for 10seconds,stopping for 2 seconds,and deflating for 5 seconds is as one cycle。Doing it for 30,000 times,then examine the pump by test 3.3  3.4  3.5  3.6   3.7  3.8  3.9 and figure out that the pump is still in a  good function.
4-5低溫環境測試 Low- temperature environment test:
在5℃經5小時後 在此溫度下測試無異狀。
Measuring after 5 hours neglect and there are no abnormalities a deed following test in 5℃.
4-6高溫環境測試 High- temperature environment test:
在50℃經5小時後 在此溫度下測試無異狀。
Measuring after 5 hours neglect and there are no abnormalities a deed following test in 50℃.

5.其他  Others
5-1 跌落試驗  Fall  test:
使用標準的包裝方式,在水泥地面上將其從50CM 的高度分別從正面、側面、邊角自由落下其性能及結構無異常。
Basic performance and the structure shall not be defected ater following test: With a standard packaging conditions, the dropping it at the front, side, and edges part from 50cm height to the concrete floor.
5-2 異常試驗  Unusual test:
用DC 6.0V 連續通電8小時無燃燒、冒煙現象。
There is no burning and smoking occurrence while the power is on with DC 6.0V for 8 hours continuously.
5-3 馬達端子  Motor Terminal:
以0.5公斤砝碼與端子負載無異常。端子須在380℃烙鐵溫度下焊接,要求在2S內操作完成
No abnormality occurs when a 0.5Kg static is hanging in the parallel direction of the Terminals .The terminals must be 380 ℃ temperature soldering iron, the requirements to complete the operation in 2 seconds.
5-4外觀 Appearance:
產品不能有破損,臟汙。
The appearances of the valve shall not contain cracks and impurities,which will decrease the value of the goods.


©2003 KYSAN ELECTRONICS All Rights Reserved! www.kysanelectronics.com