Cooling Fans
3105 Active
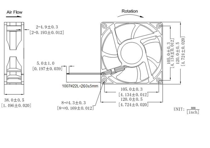
Data Group: 3105
SKU: 69895
Weight (Kg): 0.5000
Decsription: TF12038-12HH-B
HS Code: 8414.59.6090
Applications:

©2003 KYSAN ELECTRONICS All Rights Reserved! www.kysanelectronics.com