AC Motors
1734 Active
Data Group: 1734
SKU: 1311045
Weight (Kg): 0.5000
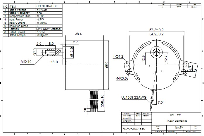
Decsription: 50KTYZ-110V1RPM-SW
HS Code: 8483.40.9000
Applications: Technical instrument

©2003 KYSAN ELECTRONICS All Rights Reserved! www.kysanelectronics.com