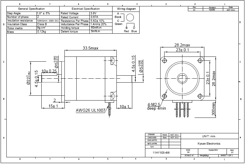
Stepper Motors
1755 Active
Data Group: 1755
SKU: 1040145
Weight (Kg): 0.5000
Decsription: 28BYG34B-18W4
HS Code: 8483.40.9000
Applications: Instrument

©2003 KYSAN ELECTRONICS All Rights Reserved! www.kysanelectronics.com