Stepper Motors
3817 Active
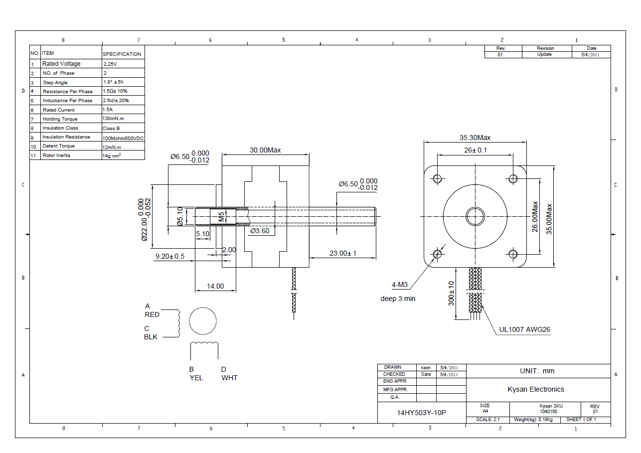
Data Group: 3817
SKU: 1040150
Weight (Kg): 0.5000
Decsription: 14HY503Y-10P
HS Code: 8483.40.9000
Applications:

©2003 KYSAN ELECTRONICS All Rights Reserved! www.kysanelectronics.com