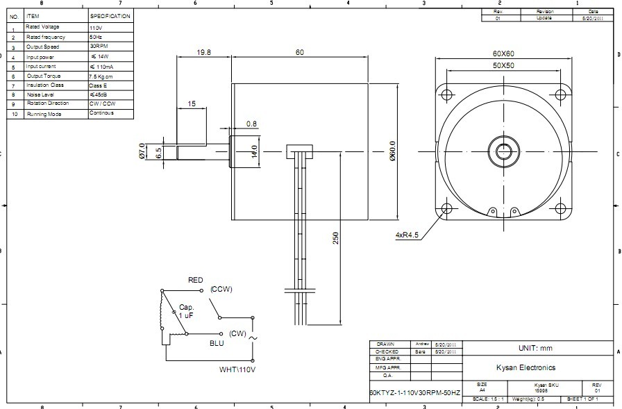
AC Motors
1778 Active
Data Group: 1778
SKU: 1311107
Weight (Kg): 0.5000
Decsription: 60KTYZ-110V30RPM-C
HS Code: 8483.40.9000
Applications: Technical instrument

©2003 KYSAN ELECTRONICS All Rights Reserved! www.kysanelectronics.com